Цех производства жировой разделительной смазки
|
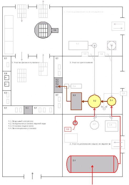
Технологическая схема производства жировой разделительной смазки ![]() 2.1 Закрытая горизонтальная дозирующая ёмкость для приёма, хранения и подачи в технологический процесс жидких ингредиентов. 2.2 Участок приготовления жидких, гелеобразных и пастообразных пищевых добавок. 3.1 Вакуумный смеситель с паровым обогревом, со скребковой мешалкой и шнековым насосом в цепи циркуляционного канала, с дозатором микрокомпонентов, с одним входом для сухих и одним входом для жидких ингредиентов и выходом на подачу в вакуумный смеситель 3.2. Мерный дозатор сухих и жидких микро ингредиентов. 3.2 Вакуумный смеситель с паровым обогревом и водяным охлаждением, со скребковой мешалкой и гомогенизатором в цепи циркуляционного канала, со смотровым люком, с дозатором микрокомпонентов, с одним входом для сухих и одним входом для жидких ингредиентов, с одним входом для воды и выходом проточный охладитель готового продукта. Мерный дозатор сухих и жидких микро ингредиентов. 3.3 Проточный охладитель. 5. Участок фасовки и упаковки жидких, гелеобразных и пастообразных продуктов. 5.1. Циклическая машина для мойки и стерилизации вёдер 5.2. Полуавтоматическая машина для весового дозирования в пластиковые вёдра и канистры жидких и вязких веществ 5 3 Полуавтоматическая машина для укупорки пластиковых вёдер впрессовываемыми крышками 5 4 Полуавтоматическое ручное устройство для укупорки канистр закручивающимися крышками. 5.5. Принтер впечатывания переменной информации 5 6 Устройство упаковки паллет с продукцией в плёнку 5 7 Стол рабочий 5.8 Стол рабочий с ванной моечной Технология производства жировой разделительной смазки 1. Загрузка рецептурных компонентов и приготовление премиксов. 1.1. В варочном сосуде смесителя 3.1 создают вакуум и из накопительной ёмкости 2.1, вакуумом загружают рецептурное количество подсолнечного масла, а в мерный дозатор микро компонентов вручную загружают рецептурное количество антиоксидантов. В пароводяную рубашку подают пар, включают скребковую мешалку и нагревают подсолнечное масло до температуры 55/60C. В разогретое подсолнечное масло из мерного дозатора микрокомпонентов подают антиоксиданты и перемешивают. 1.2. В варочном сосуде смесителя 3.2 создают вакуум и через устройство опорожнения бочек 2.2 вакуумом загружают рецептурное количество пальмового супер олеина, а в мерный дозатор микро компонентов вручную загружают рецептурное количество соевого лецитина. В пароводяную рубашку подают пар, включают скребковую мешалку и нагревают пальмовый супер олеин до температуры 55/60 C. В разогретый пальмовый супер олеин из мерного дозатора микрокомпонентов подают соевый лецитин и перемешивают. 2. Приготовление жировой смазки. 2.1. В вакуумный смеситель 3.2 со смесью пальмового супер олеина и соевого лецитина, из вакуумного смесителя 3.2 подают смесь подсолнечного масла и антиоксидантов. Полученный состав перемешивают скребковой мешалкой ри температуре 55/60C до получения однородной смеси. 2.2. Готовый продукт через проточный охладитель охлаждают до температуры 15/20C и подают на установку 5.2 весового дозирования в канистры ёмкостью 31,5 литра. |
Товар добавлен в корзину
